
100A-500A霍尔两线制交流电流变送器YCT500AK2

YCT500AK2应用电磁感应原理的电流传感器,能在电隔离条件下测量交流信号电流,输出和被测电流有效值成比例的4-20mA直流电流输出。它们仅需两线制连接,无需单独的回路电源。
技术参数: 咨询电话:021-5271-7238 180-1857-8786
| 型号 | YCT100AK1 | YCT200AK1 | YCT300AK1 | YCT400AK1 | YCT500AK1 | |
IPN | 原边输入电流量程 | 0~100(AC) | 0~200(AC) | 0~300(AC) | 0~400(AC) | 0~500(AC) | A(rms) |
IS | 副边输出电流 | 4-20(DC) | mA | ||||
RL | 负载电阻 | 0~250 | Ω | ||||
IP | 过载 | IPN X120% | A(rms) | ||||
VC | 电源电压 | 负载250Ω时+12~+35 | V | ||||
εL | 线性度 | <0.2 | %FS | ||||
XG | 精度 | TA = | %FS | ||||
IOT | 输出电流温度漂移 | TA =-25~+ | mA/℃ | ||||
Tr | 响应时间 | ≤300 | ms | ||||
f | 响应频率 | 40Hz~5kHz | | ||||
Vd | 绝缘电压 | 在原边与副边电路之间3KV有效值/50Hz/1分钟 | | ||||
TA | 工作环境温度 | -25~+85 | ℃ | ||||
TS | 贮存环境温度 | -40~+100 | ℃ | ||||
| 内部保护 | 过电压保护,过大电流保护,极性保护 | | ||||
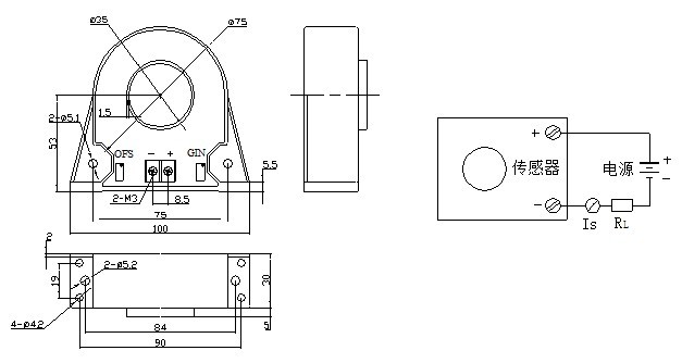
外形尺寸:(mm)外部接线图

端子说明:+,电源正-,电源负OFS,零点调节GIN,幅度调节
使用说明
1、传感器正确接线后,当被测电流从传感器穿过,即可在输出端测得相应的电流值。
2、传感器的输出幅度可根据用户需求进行适当的调节。
3、可按用户需求定制不同额定输入电流的传感器。


